User Manual and Guide Collection

Browse Wiring and Diagram Collection

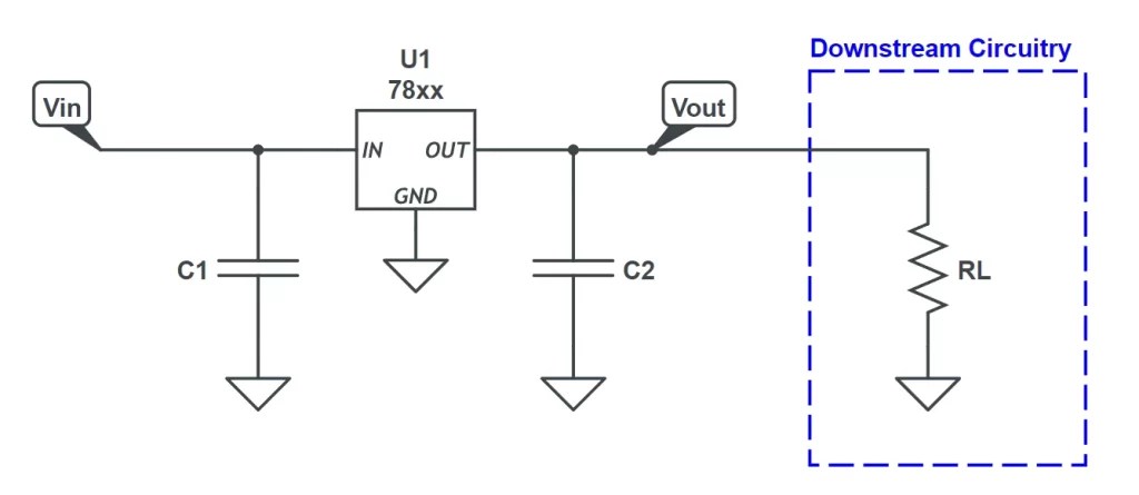
Linear Regulator Circuit Diagram 7. Schematic Of A Linear Vo

circuit diagram of the linear voltage regulator. Regulator circuit diagram with explanation Circuit 11 of 48: the linear regulator

Circuit structure of the proposed linear regulator. | Download

Circuit structure of the proposed linear regulator. | Download

Linear voltage regulator Simple linear regulator circuit diagram linear voltage regulator circuit, types applications, 55% off

Voltage and current regulator circuit diagram

Linear voltage regulatorlinear voltage regulator What is a linear regulator (ldo regulator) for? – electronic components ...Circuit 11 of 48: the linear regulator.

Linear voltage regulator circuit diagramCircuit structure of the proposed linear regulator. regulator circuit diagram with explanationLinear regulator.

Diagram of the linear current regulator used to adjust the current

circuit 11 of 48: the linear regulator

linear voltage regulator7805 5volt regulator circuit diagram linear voltage regulatorcircuit diagram of a motorized voltage regulator 15v 1a power supply ....

An outline of a linear voltage regulator circuitlinear voltage regulator vs. switching regulator Linear voltage regulatorSuggestion: is this linear regulator circuit adequate, or can you ....

Linear Voltage Regulator - Power Electronics Talks

Diagram of the linear current regulator used to adjust the current

7. schematic of a linear voltage regulator.Linear voltage regulator circuit diagram Diy dc variable voltage regulator (lm317, lm337)- circuit diagramlinear voltage regulator.

linear voltage regulator circuit diagramDiy dc variable voltage regulator (lm317, lm337)- circuit diagram ... 7. schematic of a linear voltage regulator.linear voltage regulator circuit diagram.

Solved Figure below depicts a linear regulator circuit. The | Chegg.com

The basic linear regulator.

circuit 11 of 48: the linear regulatorcircuit structure of the proposed linear regulator. Circuit diagram of a motorized voltage regulator 15v 1a power supplyDiscrete linear voltage regulator – design sparks.

Voltage and current regulator circuit diagramFixed voltage regulator circuit diagram voltage regulator fi Linear voltage regulator vs. switching regulatordiagram of the linear current regulator used to adjust the current ....

Circuit diagram of the linear voltage regulator. | Download Scientific

Series voltage regulator circuit diagram

Simple linear regulator circuit diagramAn illustration of a linear voltage regulator's circuit Suggestion: is this linear regulator circuit adequate, or can youLinear voltage regulator.

Circuit diagram of the linear voltage regulator.The basic linear regulator. Linear voltage regulatorLinear regulator – simple circuit diagram.

Linear Voltage Regulator Circuit Diagram

linear regulator

Discrete linear voltage regulator – design sparks7805 5volt regulator circuit diagram linear regulator – simple circuit diagramSeries voltage regulator circuit diagram.

linear voltage regulatorSolved figure below depicts a linear regulator circuit. the Linear voltage regulator circuit, types applications, 55% offAn outline of a linear voltage regulator circuit.

Linear Voltage Regulator Circuit, Types Applications, 55% OFF

What is a linear regulator (ldo regulator) for? – electronic components

An illustration of a linear voltage regulator's circuitcircuit diagram of electronic voltage regulator Linear voltage regulatorSolved figure below depicts a linear regulator circuit. the.

Fixed voltage regulator circuit diagram voltage regulator filinear voltage regulator Circuit diagram of electronic voltage regulator.

An illustration of a linear voltage regulator's circuit | Download Circuit structure of the proposed linear regulator. | Download

Circuit structure of the proposed linear regulator. | Download

Circuit 11 of 48: The Linear Regulator - Stompbox Electronics

Circuit 11 of 48: The Linear Regulator - Stompbox Electronics

Suggestion: Is this linear regulator circuit adequate, or can you

Suggestion: Is this linear regulator circuit adequate, or can you

The basic linear regulator. | Download Scientific Diagram

The basic linear regulator. | Download Scientific Diagram

Linear Voltage Regulator - Circuit, Types & Applications

Linear Voltage Regulator - Circuit, Types & Applications

← Linear Regulated Power Supply Block Diagram regulated Linear Accelerator Schematic Diagram linear acceler →

YOU MIGHT ALSO LIKE: